Магазин запчастей для сельхозтехники

Кронштейн шкива вязального аппарата в сборе пресс-подборщика YK - YK70.8-13-00

Кронштейн шкива вязального аппарата в сборе пресс-подборщика YK - YK70.8-13-00
Написать отзыв
3 510 
Написать отзыв
00-00004230
+
Отложить Задать вопрос
Доставка по РФ
Варианты оплаты
Описание

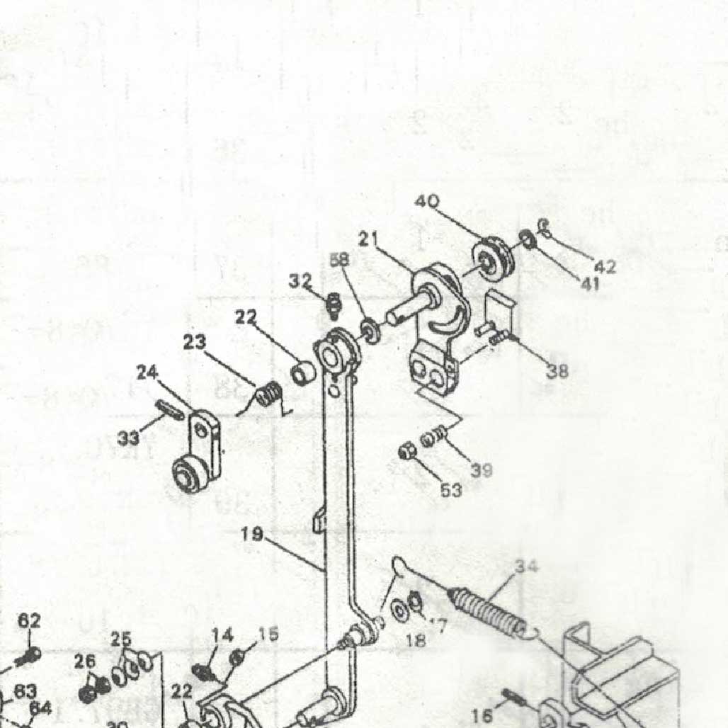
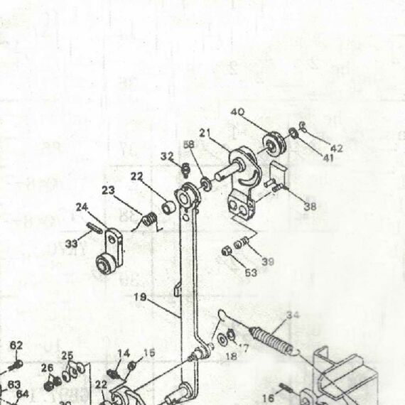
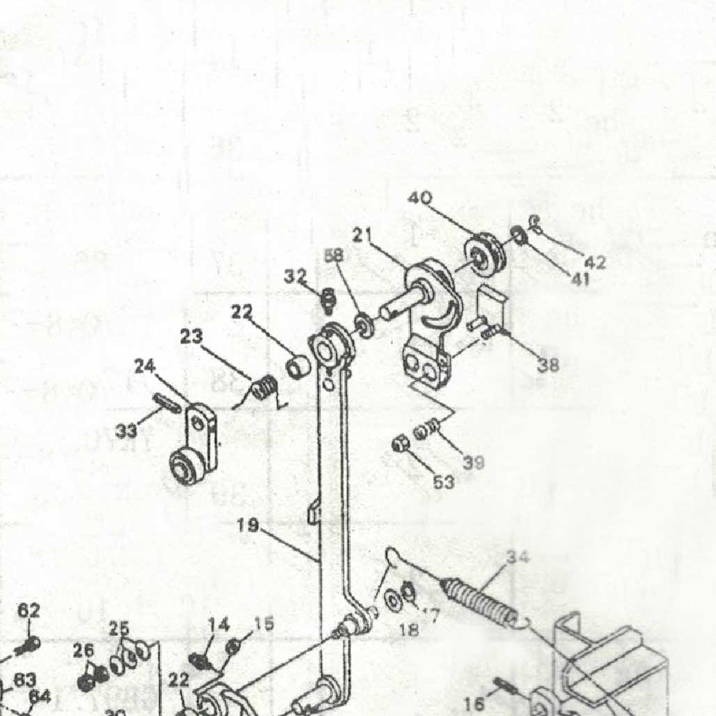
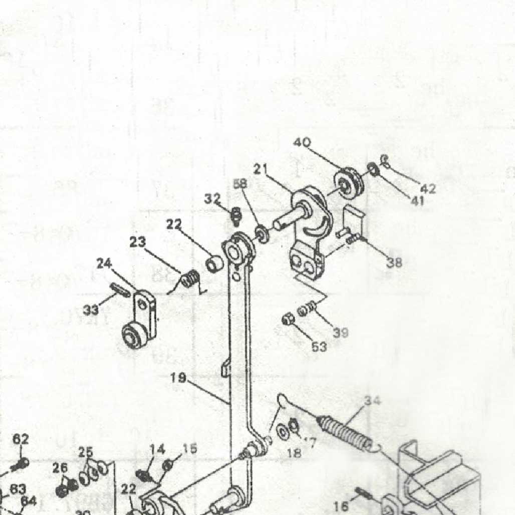
Кронштейн шкива вязального аппарата в сборе состоит из:
1. Подшипник 6201 RS
2. Кронштейн подшипника поз. 24
3. Штифт разрезной 6х30 поз. 33
4. Пружина кручения поз. 23
5. Шайба d=16 мм. 2 шт поз. 58
6. Рычаг опорный вязального аппарата пресс-подборщика поз. 21
7. Пластина нажимная с пружиной в сборе опорного рычага вязального аппарата поз. 38, 39, 53
8. Ролик подачи нити вязального аппарата пресс-подборщика YK0850/0870/0890 поз. 44
9. Кольцо стопорное наружнее 8 поз. 42

Характеристики
Артикул
YK70.8-13-00
Официальное наименование
-
Применимость
-
Размеры
Диаметр=20 ммДлина=50 ммДиаметр отверстия под шплинт= 5 мм
Отзывы
4.5
Оценок: 27
5 звёзд
59%
4 звезды
30%
3 звезды
11%
2 звезды
0%
1 звезда
0%
Анонимный
5
оценка
Анонимный
4
оценка
Анонимный
5
оценка
Анонимный
5
оценка
Анонимный
5
оценка
Анонимный
5
оценка
Анонимный
5
оценка
Анонимный
5
оценка
Анонимный
5
оценка
Анонимный
5
оценка

Показано 10 из 27 отзывов

Возможно, вас это заинтересует
  • Аналогичные товары
  • Популярные
  • Недавно просмотренные
 
Доставка по РФ

Наша компания производит доставку по всей России

Гарантия качества и сервисное обслуживание

Мы предлагаем только те товары, в качестве которых мы уверены

Возврат товара в течение 14 дней

Возврат/замена товара возможна в течении 14 дней после получения товара.